Mastering The LM741 Op-Amp: Fairchild Datasheet Explained

O.Artsplacecanmore 0 views
Mastering The LM741 Op-Amp: Fairchild Datasheet Explained

Mastering the LM741 Op-Amp: Fairchild Datasheet Explained

Welcome, electronics enthusiasts and budding engineers! Today, we’re diving deep into the heart of analog electronics : the LM741 operational amplifier , specifically focusing on how to master its Fairchild datasheet . If you’ve ever felt overwhelmed by the sheer volume of information packed into a component’s datasheet, you’re not alone, guys. But trust me, understanding these documents is a superpower for anyone working with circuits. The LM741, an iconic and incredibly versatile op-amp , has been a staple in electronics labs and designs for decades. Its widespread use means countless manufacturers have produced it, but going straight to a reputable source like Fairchild (now part of ON Semiconductor) for its datasheet gives you the most accurate and reliable information. This article isn’t just about reading numbers; it’s about interpreting them, understanding their implications, and ultimately, building better, more reliable circuits. We’ll break down the essential sections of the LM741 datasheet , clarify jargon, and highlight what truly matters when you’re designing with this classic component. From its fundamental characteristics like input offset voltage and slew rate to its various package types and absolute maximum ratings, we’ll cover everything you need to confidently wield the LM741 in your projects. So grab your coffee, maybe a breadboard, and let’s unravel the mysteries of the LM741 datasheet together, making sure you gain practical, hands-on knowledge that’s immediately applicable.

Understanding the LM741 operational amplifier through its datasheet is more than just a technical exercise; it’s about gaining a fundamental understanding of how analog building blocks behave. The LM741 might be an older design, but its principles are timeless and form the basis for countless more complex integrated circuits. When you pick up a Fairchild LM741 datasheet , you’re holding a treasure map to its capabilities and limitations. It’s the manufacturer’s promise, a guarantee of performance under specified conditions, and a critical guide to prevent you from inadvertently turning your precious op-amp into a tiny, expensive fuse. We’ll explore why parameters like input bias current , common-mode rejection ratio (CMRR) , and open-loop voltage gain are not just abstract numbers but crucial indicators of how your circuit will function in the real world. Many engineers, especially those starting out, often skip over these details, leading to unexpected behavior or outright circuit failure. But by taking the time to truly understand the datasheet , you’re empowering yourself to debug problems faster, design more robust systems, and innovate with confidence. We’ll even touch upon its internal architecture, giving you a sneak peek behind the curtain to see how all these complex specifications arise from the clever arrangement of transistors and resistors within that tiny chip. So let’s make sure your next project with the LM741 isn’t just functional, but flawlessly engineered , all thanks to a solid grasp of its datasheet.

Unpacking Key Features and Specifications of the LM741 Op-Amp

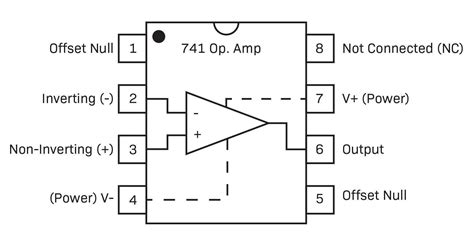
Alright, let’s get into the nitty-gritty of the LM741 datasheet – specifically, the core features and specifications that truly matter. When you open up a Fairchild LM741 datasheet , you’re immediately confronted with tables full of numbers and various sections that might seem daunting at first glance. But don’t fret, guys, because we’re going to break down these crucial elements step-by-step. Understanding these parameters is absolutely essential for predicting how your LM741 will behave in a circuit and for designing reliably. First up, we often see the pinout and package types . The LM741 is commonly available in several packages, with the most ubiquitous being the 8-pin dual in-line package (DIP) and the small outline integrated circuit (SOIC). Knowing the pinout – which pin is for the non-inverting input, inverting input, output, VCC+, VCC-, offset null, and balance – is your first step to connecting it correctly. Getting these wrong is a surefire way to prevent your circuit from working, or worse, to damage the chip. The datasheet will clearly label each pin and its function, often with a helpful diagram. For instance, Pin 2 is typically the inverting input , Pin 3 is the non-inverting input , Pin 6 is the output , and Pins 7 and 4 are for your positive and negative power supplies, respectively. There are also pins for offset null , which allows you to manually adjust the output voltage to zero when inputs are equal, a critical feature for precision applications, although not always used in simpler projects.

Next, the absolute maximum ratings section is probably the most critical warning label in the entire datasheet. Think of it as the circuit breaker for your op-amp. These values specify the maximum voltage, current, and temperature that the device can withstand without permanent damage. Exceeding even one of these ratings, even for a brief moment, can lead to irreversible failure of the chip. For example, the maximum supply voltage for an LM741 might be ±22V. Pushing ±25V, even if it