78L05 Voltage Regulator: A Simple Circuit Guide

O.Artsplacecanmore 83 views
78L05 Voltage Regulator: A Simple Circuit Guide

78L05 Voltage Regulator: A Simple Circuit Guide

Hey, tech enthusiasts! Ever wondered how to keep your circuits running smoothly with a stable 5V power supply? Well, the 78L05 voltage regulator is your answer! This nifty little component is a staple in electronics, known for its simplicity and reliability. In this guide, we’ll dive deep into the 78L05 voltage regulator circuit, covering everything from its basic function to practical applications. So, buckle up and let’s get started!

What is a 78L05 Voltage Regulator?

First off, let’s understand what exactly a 78L05 voltage regulator is. Simply put, it’s a three-terminal linear voltage regulator that provides a constant 5V output. The “78” indicates that it’s a positive voltage regulator, and “05” signifies the 5V output. Think of it as a tiny bodyguard for your sensitive electronic components, protecting them from voltage fluctuations. The 78L05 ensures that no matter how much the input voltage varies (within its specified range), the output voltage remains a steady 5V, which is crucial for many digital circuits, microcontrollers, and other electronic devices. This stability is vital because many components are designed to operate within a narrow voltage range, and exceeding that range can lead to malfunction or even permanent damage. The 78L05 steps in to prevent these issues, providing a reliable and consistent power supply. Its small size and ease of use make it a popular choice for hobbyists and professionals alike. Whether you’re building a simple LED circuit or a complex microcontroller project, the 78L05 voltage regulator is an essential component to have in your toolkit. Its ability to maintain a stable voltage output, regardless of input variations, ensures the longevity and proper functioning of your electronic creations.

Key Features of the 78L05

  • Fixed 5V Output: As mentioned, it provides a stable 5V output.
  • Low Quiescent Current: It consumes very little current to operate, making it energy-efficient.
  • Short-Circuit Protection: It can protect itself and the connected circuit from short circuits.
  • Thermal Overload Protection: Shuts down if it gets too hot, preventing damage.
  • Small Size: Compact and easy to integrate into various projects.

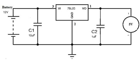
78L05 Pinout and Basic Circuit

Alright, let’s get our hands dirty with the 78L05 pinout and how to wire it up. The 78L05 is a three-terminal device, and each pin has a specific function that’s crucial for its operation. Knowing the correct pin configuration is the first step in creating a functional and reliable circuit. The three pins are: Input (Pin 1), Ground (Pin 2), and Output (Pin 3). Each of these pins plays a vital role in the voltage regulation process. Pin 1 is where you apply the unregulated DC voltage, which should be higher than 5V for the regulator to function correctly. Pin 2 is the ground connection, providing a common reference point for both the input and output voltages. Pin 3 is where you get the regulated 5V output. Now that we know what each pin does, let’s talk about how to connect it in a basic circuit. The basic circuit for the 78L05 voltage regulator is surprisingly simple, which is one of the reasons it’s so popular. All you need is the 78L05 itself, a couple of capacitors, and your input voltage source. Connect the unregulated DC voltage to Pin 1 (Input), connect Pin 2 (Ground) to the ground of your circuit, and Pin 3 (Output) will give you the regulated 5V. It’s highly recommended to add capacitors at the input and output to improve stability and filter out noise. Typically, a 0.33µF capacitor is placed at the input, and a 0.1µF capacitor is placed at the output. These capacitors help to smooth out any voltage fluctuations and ensure a clean, stable 5V output. With this simple setup, you can provide a reliable 5V power supply for your projects. Remember to always double-check your connections to avoid any accidental short circuits or damage to the regulator or your circuit.

Pin Configuration

  • Pin 1: Input (Vin) - This is where you apply the unregulated DC voltage (typically 7V to 20V).
  • Pin 2: Ground (GND) - Connect this to the ground of your circuit.
  • Pin 3: Output (Vout) - This pin provides the regulated 5V output.

Basic Circuit Diagram

[Basic 78L05 Circuit Diagram Image]

Components Needed:

  • 78L05 Voltage Regulator
  • Input Capacitor (0.33µF ceramic capacitor)
  • Output Capacitor (0.1µF ceramic capacitor)
  • DC Power Source (7V - 20V)

Adding Capacitors for Stability

Capacitors are essential when working with the 78L05 voltage regulator to ensure stability and reduce noise. These little components play a critical role in smoothing out voltage fluctuations and providing a clean, consistent 5V output. Without capacitors, the output voltage might have ripples or unwanted variations, which can negatively affect the performance of your circuit. The input capacitor, typically a 0.33µF ceramic capacitor, is placed as close as possible to the input pin of the 78L05. Its primary job is to filter out any high-frequency noise from the input voltage source. This is particularly important if your power source is not perfectly stable or if it’s located far away from the regulator. By filtering out the noise, the input capacitor helps to ensure that the 78L05 receives a clean and stable input voltage, which in turn leads to a more stable output voltage. The output capacitor, usually a 0.1µF ceramic capacitor, is placed close to the output pin of the 78L05. Its main function is to stabilize the output voltage and reduce any transient voltage spikes. When the load connected to the output changes suddenly, the output capacitor provides a quick burst of current to maintain a steady voltage level. This is crucial for circuits that require a stable voltage supply, such as microcontrollers and sensitive analog circuits. By using both input and output capacitors, you can create a robust and reliable voltage regulation circuit that provides a clean and stable 5V power supply for your electronic projects. Remember to choose capacitors with appropriate voltage ratings to ensure they can handle the voltages in your circuit safely.

  • Input Capacitor (0.33µF): Helps to smooth out input voltage fluctuations.
  • Output Capacitor (0.1µF): Stabilizes the output voltage and reduces noise.

Practical Applications of the 78L05

The 78L05 voltage regulator isn’t just a theoretical component; it’s a workhorse in countless electronic projects. Its ability to provide a stable 5V output makes it indispensable in a wide range of applications, from simple hobby circuits to more complex industrial systems. One of the most common uses of the 78L05 is in microcontroller circuits. Microcontrollers, like the Arduino or Raspberry Pi, often require a precise 5V power supply to operate correctly. The 78L05 can be used to step down a higher voltage, such as a 9V battery or a 12V adapter, to the required 5V, ensuring that the microcontroller functions reliably. This is particularly useful in battery-powered projects where the battery voltage may fluctuate over time. Another popular application is in powering digital logic circuits. Many digital ICs, such as TTL and CMOS logic gates, are designed to operate at 5V. The 78L05 can provide a clean and stable 5V supply for these circuits, preventing them from malfunctioning due to voltage variations. This is essential in projects like digital clocks, counters, and simple control systems. The 78L05 is also commonly used in power supplies for small electronic devices. For example, it can be used to regulate the voltage in a USB charger or a wall adapter. By ensuring a stable 5V output, the 78L05 protects the connected devices from overvoltage and potential damage. In addition to these common applications, the 78L05 can also be used in more specialized projects, such as sensor circuits, audio amplifiers, and LED drivers. Its versatility and ease of use make it a valuable component for any electronics enthusiast or professional. Whether you’re building a simple LED flasher or a complex robot, the 78L05 voltage regulator can help you ensure a stable and reliable power supply for your project.

  • Microcontroller Circuits: Providing a stable 5V for Arduinos, Raspberry Pis, and other microcontrollers.
  • Digital Logic Circuits: Powering TTL and CMOS logic gates.
  • Power Supplies: Regulating voltage in USB chargers and wall adapters.
  • Sensor Circuits: Ensuring accurate sensor readings with a stable voltage.

Advantages and Disadvantages

Like any component, the 78L05 voltage regulator comes with its own set of pros and cons. Understanding these advantages and disadvantages can help you make an informed decision about whether it’s the right choice for your project. One of the biggest advantages of the 78L05 is its simplicity. It requires very few external components to operate, making it easy to integrate into a circuit. This simplicity also translates to ease of use, especially for beginners. The 78L05 is also highly reliable. It has built-in short-circuit protection and thermal overload protection, which help to prevent damage to the regulator and the connected circuit. This makes it a robust choice for projects that may be subject to harsh conditions or accidental errors. Another advantage of the 78L05 is its low cost. It’s a widely available and inexpensive component, making it an affordable option for hobbyists and professionals alike. However, the 78L05 also has some limitations. One of the main disadvantages is its inefficiency. As a linear regulator, it dissipates excess power as heat, which can be a concern in high-current applications. This means that the input voltage must be significantly higher than the output voltage for the regulator to function correctly, and the difference in voltage is wasted as heat. This can lead to lower overall efficiency and the need for heat sinks to dissipate the excess heat. Another disadvantage of the 78L05 is its limited output current. It’s designed to provide a maximum output current of around 100mA, which may not be sufficient for some applications. If you need to power a circuit that requires more current, you may need to consider using a different type of regulator, such as a switching regulator. Despite these limitations, the 78L05 remains a popular choice for many applications due to its simplicity, reliability, and low cost. By understanding its advantages and disadvantages, you can make an informed decision about whether it’s the right component for your project.

Advantages

  • Simple to Use: Requires minimal external components.
  • Reliable: Built-in short-circuit and thermal overload protection.
  • Low Cost: Widely available and inexpensive.

Disadvantages

  • Inefficient: Dissipates excess power as heat.
  • Limited Output Current: Maximum output current of around 100mA.

Alternatives to the 78L05

If the 78L05 voltage regulator doesn’t quite fit your needs, don’t worry! There are several alternatives available that might be a better choice for your specific application. One popular alternative is the LM317 adjustable voltage regulator. Unlike the 78L05, which provides a fixed 5V output, the LM317 allows you to adjust the output voltage to any value within its specified range. This can be useful if you need a voltage other than 5V, or if you want to fine-tune the voltage to match the requirements of your circuit. Another alternative is a switching regulator, such as the LM2596. Switching regulators are more efficient than linear regulators like the 78L05, as they don’t dissipate excess power as heat. This makes them a better choice for high-current applications or battery-powered projects where efficiency is critical. Switching regulators can also handle a wider range of input voltages and provide a more stable output voltage under varying load conditions. Another option is to use a DC-DC converter module. These modules are self-contained voltage regulators that are easy to use and often come with built-in features like short-circuit protection and thermal overload protection. They are available in a variety of input and output voltage configurations, making them a versatile choice for many different applications. When choosing an alternative to the 78L05, it’s important to consider factors like the required output voltage, the input voltage range, the maximum output current, and the efficiency of the regulator. By carefully evaluating these factors, you can select the best regulator for your project and ensure that it functions reliably and efficiently. Whether you need an adjustable voltage, higher efficiency, or a more robust solution, there’s an alternative to the 78L05 that can meet your needs.

  • LM317 Adjustable Voltage Regulator: Offers adjustable output voltage.
  • Switching Regulators (e.g., LM2596): More efficient for high-current applications.
  • DC-DC Converter Modules: Self-contained and easy to use.

Troubleshooting Common Issues

Even with a simple component like the 78L05 voltage regulator , things can sometimes go wrong. Let’s look at some common issues and how to troubleshoot them. One common problem is no output voltage. If you’re not getting any voltage at the output pin, the first thing to check is the input voltage. Make sure that the input voltage is within the specified range for the 78L05 (typically 7V to 20V). If the input voltage is too low, the regulator won’t be able to produce a stable 5V output. Also, make sure that the input voltage source is properly connected and that there are no breaks in the wiring. Another possible cause of no output voltage is a short circuit on the output. If there’s a short circuit, the regulator may shut down to protect itself. Check the output circuit for any shorts or excessive current draw. If you find a short, fix it and try again. Overheating is another common issue with the 78L05. If the regulator is getting too hot, it may shut down to prevent damage. This is often caused by excessive current draw or an input voltage that’s too high. Make sure that the load connected to the output is not drawing more current than the regulator is designed to handle. Also, try reducing the input voltage to minimize the amount of power that the regulator has to dissipate as heat. If the output voltage is unstable or noisy, the problem may be caused by insufficient capacitance. Make sure that you have the recommended input and output capacitors in place, and that they are of the correct value and type. These capacitors help to smooth out voltage fluctuations and reduce noise. By systematically checking these common issues, you can quickly diagnose and fix most problems with the 78L05 voltage regulator. Remember to always double-check your connections and to use a multimeter to measure voltages and currents to help you identify the source of the problem.

  • No Output Voltage: Check input voltage and for short circuits.
  • Overheating: Reduce input voltage or check for excessive current draw.
  • Unstable Output Voltage: Ensure proper input and output capacitance.

Conclusion

So there you have it! The 78L05 voltage regulator is a fantastic tool for providing a stable 5V supply in your electronic projects. With its simple design, reliability, and built-in protection features, it’s a go-to component for hobbyists and professionals alike. We’ve covered everything from the basic pinout and circuit diagram to practical applications and troubleshooting tips. Whether you’re powering a microcontroller, a digital logic circuit, or a sensor, the 78L05 can help you ensure a stable and reliable power supply. Just remember to add those crucial capacitors for stability and to check for common issues like overheating or short circuits. And if the 78L05 doesn’t quite fit your needs, don’t forget that there are plenty of alternatives available, such as the LM317 adjustable voltage regulator or switching regulators like the LM2596. With a little bit of knowledge and a few simple components, you can harness the power of the 78L05 to create amazing electronic projects. Happy building, folks!